Défi 6 – Construire un clavier
Défi : Construire un petit clavier et jouer des sons différents.
Programmation : son avec «tone», comparaison de valeurs.
Liens PFEQ : Piezo et le son. Fréquence. Résistance équivalente.
Nous allons faire du son avec une pièce électronique nommée capteur piezo. Cette pièce utilise la piézoélectricité pour créer un son ou encore pour détecter des vibrations.
Nous utiliserons également des boutons poussoirs pour créer un clavier. Un circuit mixte nous permettra de varier la valeur de résistance et ainsi la valeur envoyée vers le piezo (varier le son).
Un peu de théorie
Pour créer un son avec le piezo, nous devons lui envoyer des pulsations. Ce qui changera la note du son sera la fréquence de cette pulsation. La fonction PWM a toujours la même fréquence (voir cette image), nous ne pouvons donc pas l’utiliser dans ce montage. Nous allons plutôt utiliser la fonction TONE qui elle varie la fréquence du signal de sortie. Dans la programmation Blockly@rduino, c’est le bloc : émettre un son à une fréquence X.
Syntaxe texte : tone (broche,fréquence,durée)
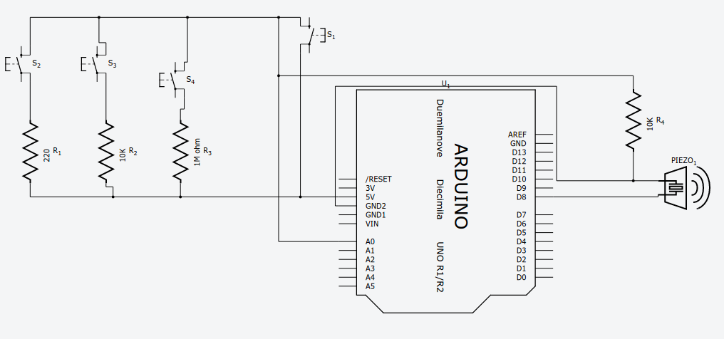
Montage

Schéma électrique

Le programme, bien que relativement long, est assez simple. On doit ajuster la valeur de sortie (broche 8) selon la lecture d’entrée de la broche A0 (qui varie selon la résistance équivalente du circuit).
Voici les blocs du programme (version xml) :

Note : La saisie d'écran ci-dessus est celle de Blockly@rduino. À vous de traduire si vous utilisez Ardublockly!
Voir le montage et le programme :
https://www.tinkercad.com/things/58OFfMEHmMw